Wholesale PPH winding spray tower

  • PPH winding spray tower
  • PPH winding spray tower
  • PPH winding spray tower
  • PPH winding spray tower
  • PPH winding spray tower
  • PPH winding spray tower
  • PPH winding spray tower
  • PPH winding spray tower
  • PPH winding spray tower

PPH winding spray tower

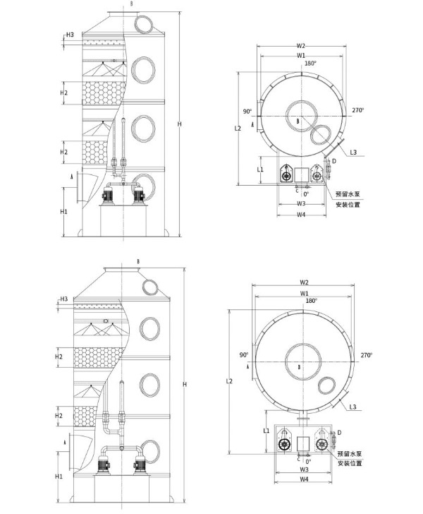
The PPH spiral wound spray tower is a common wet-type waste gas treatment equipment. Its core operating principle is as follows:

I. Working Process
1. Waste Gas Intake: Acidic (alkaline) waste gas is introduced into the tower base via a fan through an air duct.
2. Gas-Liquid Countercurrent Contact: The waste gas flows upward through the packing layer, where it comes into contact with the absorbent (such as alkali or acid) sprayed from the top of the tower.
3. Absorption and Neutralization: Harmful components in the waste gas (such as HCl, NH₃, SO₂, etc.) undergo physical absorption or chemical reactions with the absorbent, removing them or converting them into harmless substances.
4. Demisting and Dehydration: The purified gas passes through a demisting layer (such as a wire mesh demister or baffle) at the top of the tower to remove moisture before being discharged into the atmosphere by a fan.
5. Liquid Circulation: The absorbent collects in a circulating liquid pool at the bottom of the tower. It is pressurized by a water pump and then sprayed again from the top of the tower, circulating for use until the active ingredients are depleted and replaced.

II. Structural Components
- Tower Body: Made of PPH (modified polypropylene) material, this one-piece, weld-free, corrosion-resistant tower is suitable for acidic and alkaline environments.
- Packing Layer: PP ball rings and Raschig rings are commonly used to increase surface area, extend gas-liquid contact time, and improve purification efficiency.
- Spraying System: Consisting of nozzles, pipes, and a water pump, the nozzles evenly spray the absorbent liquid, forming a liquid film covering the packing surface.
- Demisting Layer: Prevents water carryover and ensures dry outlet gas.

III. Technical Features
- High Purification Efficiency: Over 95% can be achieved.
- Corrosion Resistance and Lightweight: PPH material is acid- and alkali-resistant, age-resistant, and suitable for harsh operating conditions.
- Low Operating Resistance: Windage is generally between 200 and 600 Pa, resulting in excellent energy savings.
- Easy Maintenance: Simple structure, easy operation, and a compact footprint.

IV. Scope of Application: Suitable for purifying various acidic and alkaline waste gases such as sulfuric acid mist, hydrogen chloride, and ammonia in industries such as chemical, electroplating, laboratory, and metallurgy.

Chemical Scrubber Selection
Technical Specifications Table for Packed Spray Scrubbers
For transportation convenience and safety, PP-packed spray scrubbers are categorized into two types:
Type 1: Integrated Tank Packed Spray Scrubber (Tower Diameter: Φ1000mm–Φ2200mm)
Type 2: Split-type water tank packed spray scrubber (Tower diameter: Φ2500mm–Φ3500mm)
Airflow Capacity Corresponding Models for Packed Towers:

Model Airflow Capacity (m³/h) Equipment Dimensions Pump Power Packing thickness Wind speed Equipment Material
LRTL-600 0 - 1500m³/h Φ600×3000 0.75kw 500*2 1.48m/s PP/304/Q235/FRP
LRTL-800 1501 - 2500m³/h Φ800×3000 0.75kw 500*2 1.39m/s PP/304/Q235/FRP
LRTL-1000 2501 - 4000m³/h Φ1000×5000 1.5kw 500*2 1.42m/s PP/304/Q235/FRP
LRTL-1200 4001 - 6000m³/h Φ1200×5000 2.2kw 500*2 1.48m/s PP/304/Q235/FRP
LRTL-1500 6001 - 9500m³/h Φ1500×5000 3.75kw 500*2 1.5m/s PP/304/Q235/FRP
LRTL-1800 9501 - 14000m³/h Φ1800×5000 5.5kw 500*2 1.53m/s PP/304/Q235/FRP
LRTL-2000 14001 - 17000m³/h Φ2000×6000 5.5kw 500*2 1.5m/s PP/304/Q235/FRP
LRTL-2200 17001 - 20000m³/h Φ2200×6000 7.5kw 500*2 1.46m/s PP/304/Q235/FRP
LRTL-2500 20001 - 27000m³/h Φ2500×6000 7.5kw 500*2 1.53m/s PP/304/Q235/FRP
LRTL-2800 27001 - 33000m³/h Φ2800×6000 15kw 500*2 1.49m/s PP/304/Q235/FRP
LRTL-3000 33001 - 38000m³/h Φ3000×6800 15kw 500*2 1.49m/s PP/304/Q235/FRP
LRTL-3200 38001 - 44000m³/h Φ3200×6800 15kw 500*2 1.52m/s PP/304/Q235/FRP
LRTL-3500 44001 - 55000m³/h Φ3500×6800 15kw 500*2 1.5m/s PP/304/Q235/FRP

Note: Custom designs can be provided upon customer request.

Selection Diagram:

Hangzhou Lvran Environmental Protection Group Co., Ltd.

  • 1000+

    Service unit customers

  • 2000+

    National Engineering Cases

Hangzhou Lvran Environmental Protection Group Co., Ltd. is a comprehensive waste gas treatment system engineering service provider and equipment manufacturer, integrating R&D, technical services, design, production, engineering installation, and after-sales service.

We are China PPH winding spray tower Suppliers and Wholesale PPH winding spray tower Exporter, Company. The Group is a national high-tech enterprise, a Zhejiang Province science and technology enterprise, a regional R&D center, and an AAA-rated credit unit. It holds over 30 utility model patents, numerous invention patents, and software copyrights. The Group has long-standing technical R&D collaborations with domestic universities and institutions, including the "Environmental Innovation R&D Center" established with Anhui University of Science and Technology and the "Plasma Energy and Environmental New Technology R&D Center" jointly developed with Zhejiang Sci-Tech University. The Group has established its own R&D and production base for in-depth technical collaboration. The Group possesses core VOC gas treatment technology, holds a Level 2 general contracting qualification for municipal public works construction, a safety production license, a Class B special design qualification for environmental pollution control in Zhejiang Province, unclassified labor service qualifications, and specialized contracting for special projects. The Group is certified to ISO9001 for international quality, ISO14001 for environmental management, and ISO45001 for occupational health and safety.

HONOR & CERTIFICATE

The following honors represent our brilliance. We win customers with high-quality products and win high praise from the market and all walks of life with good services.

  • A plate-type high electric field basic unit and reactor for preventing leakage along the surface
  • A reaction device for synthesising methanol using carbon dioxide and water and a method for synthesising methanol using carbon dioxide and water
  • Self-cleaning electrostatic precipitator
  • A corrosion-resistant high-pressure fan with wind direction adjustment function
  • An adjustable self-cleaning high-capacity fan
  • Combined catalytic gasification exhaust gas pre-treatment control system
  • Steam cleaning continuous electrostatic field exhaust gas purification and treatment system
  • Low temperature plasma UV photolysis exhaust gas purification equipment system
  • Trademark registration certificate
Recently News and Events
Share with you
View More News
  • 16 Mar,2026

    What Is Activated Carbon Adsorption Equipment?
    Activated carbon adsorption equipment is an industrial air and water purification system that uses the exceptionally high surface area and pore structure of activated carbon to rem...
  • 10 Mar,2026

    How to Design a Baghouse Dust Collector?
    Fundamentals of System Sizing The efficiency of a Baghouse dust collector is predicated on the precision of its initial design parameters. Incorrect sizing leads to insufficient du...
  • 03 Mar,2026

    What Is the Best Dust Collector Equipment for Your Plan...
    Selecting the optimal Dust Collector Equipment for an industrial facility is a complex engineering decision that impacts worker safety, regulatory compliance, product quality, and ...
  • 23 Feb,2026

    Is a Chemical Scrubber the Best Solution for Waste Gas?
    In the contemporary landscape of industrial environmental compliance, the mitigation of hazardous air pollutants has become a cornerstone of sustainable operational strategies. Amo...
  • 16 Feb,2026

    Why Use Activated Carbon Adsorption Equipment?
    Overview of Activated Carbon Adsorption Equipment Activated Carbon Adsorption Equipment is one of the most widely applied technologies in industrial waste gas treatment, especially...