23 Apr,2026
What Is a Chemical Scrubber and How Do You Select the R...
The chemical scrubber is an advanced scrubbing filter. It uses a special structure and a large specific surface area of regular packing as mass transfer and dehydration packing. At the same time, according to the different odor-causing components in the odor, the corresponding acid, alkali and oxidant are used as absorption washing liquid to remove the odor in the space and eliminate the impact on the surrounding environment.
The odorous airflow is transported through the air duct and enters the tower from the tower inlet. After entering the tower, it passes through the packing layer from bottom to top, and finally is discharged from the tower top pipeline outlet through the anti-corrosion fan. The neutralizing solution passes through the liquid separator at the top of the tower, sprays evenly into the packing layer, flows down along the surface of the packing layer until it is discharged from the tower bottom through the pipeline, and is circulated by the anti-corrosion circulation pump. As the concentration of solutes in the rising airflow becomes lower and lower, the purification function is achieved when it reaches the top of the tower, and it is discharged or continues to be purified through the next step. On the contrary, the concentration of the medium in the descending liquid becomes higher and higher, and it reaches the process conditions when it reaches the bottom of the tower and is discharged from the tower.
Advantages of the spray packing tower: It has high efficiency, small liquid holding capacity, light weight, and easy operation, which allows workers to get started immediately. The filler can be selected according to the working conditions provided by the customer. There are many types, and corrosion-resistant ball rings are generally used. However, it should be noted that solid suspended matter may clog the filler due to its large particle diameter, so it is generally not suitable for solid matter treatment. For example, NH₃, HCl, H₂S, nitrogen oxides and organic waste gas generated by factories can be treated effectively with this equipment.
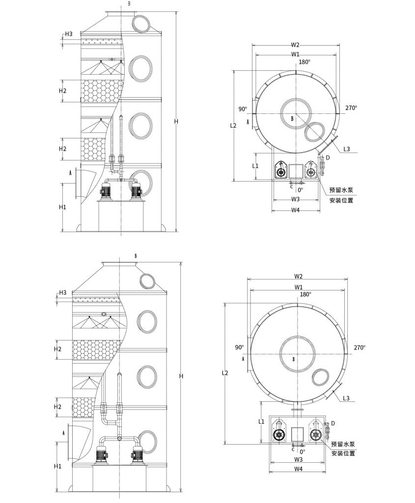
Chemical scrubber structure:
As shown in the figure: The complete packed spray scrubbing system includes the following components:
1. The tower body made of PP (polypropylene) sheets;
2. Packing support frame made of PP grating panels;
3. Spray connecting pipes made of UPVC;
4. PP spiral nozzles;
5. Hollow ball or Pall ring packing;
6. Corrosion-resistant PP circulation pump;
7. Mesh demister layer;
8. Manual and automatic water replenishment devices;
9. Overflow and drainage pipes;
10. Inspection window.
Chemical scrubber selection:
Technical Parameter Table of Packed Spray Scrubber
To ensure transportation convenience and safety, PP packed spray scrubbers are divided into two types:
Type 1: Integrated water tank packed spray scrubber (Tower diameter: Φ1000mm-Φ2200mm)
Type 2: Split-type water tank packed spray scrubber (Tower diameter: Φ2500mm-Φ3500mm)
Model Specifications Corresponding to Airflow Capacity:
| Model | Air volume | Device size | Water pump power | Filling thickness | Wind speed | Equipment material |
| LRTL-600 | 0-1500m³/h | Φ600x3000 | 0.75kw | 500*2 | 1.48m/s | PP/304/Q235/FRP |
| LRTL-800 | 1501-2500m³/h | Φ800x3000 | 0.75kw | 500*2 | 1.39m/s | PP/304/Q235/FRP |
| LRTL-1000 | 2501-4000m³/h | Φ1000x5000 | 1.5kw | 500*2 | 1.42m/s | PP/304/Q235/FRP |
| LRTL-1200 | 4001-6000m³/h | Φ1200x5000 | 2.2kw | 500*2 | 1.48m/s | PP/304/Q235/FRP |
| LRTL-1500 | 6001-9500m³/h | Φ1500x5000 | 3.75kw | 500*2 | 1.5m/s | PP/304/Q235/FRP |
| LRTL-1800 | 9501-14000m³/h | Φ1800x5000 | 5.5kw | 500*2 | 1.53m/s | PP/304/Q235/FRP |
| LRTL-2000 | 14001-17000m³/h | Φ2000x6000 | 5.5kw | 500*2 | 1.5m/s | PP/304/Q235/FRP |
| LRTL-2200 | 17001-20000m³/h | Φ2200x6000 | 7.5kw | 500*2 | 1.46m/s | PP/304/Q235/FRP |
| LRTL-2500 | 20001-27000m³/h | Φ2500x6000 | 7.5kw | 500*2 | 1.53m/s | PP/304/Q235/FRP |
| LRTL-2800 | 27001-33000m³/h | Φ2800x6000 | 15kw | 500*2 | 1.49m/s | PP/304/Q235/FRP |
| LRTL-3000 | 33001-38000m³/h | Φ3000x6800 | 15kw | 500*2 | 1.49m/s | PP/304/Q235/FRP |
| LRTL-3200 | 38001-44000m³/h | Φ3200x6800 | 15kw | 500*2 | 1.52m/s | PP/304/Q235/FRP |
| LRTL-3500 | 44001-55000m³/h | Φ3500x6800 | 15kw | 500*2 | 1.5m/s | PP/304/Q235/FRP |
Note: Non-standard designs can be customized according to customer requirements.
Selection diagram:
Service unit customers
National Engineering Cases
Hangzhou Lvran Environmental Protection Group Co., Ltd. is a comprehensive waste gas treatment system engineering service provider and equipment manufacturer, integrating R&D, technical services, design, production, engineering installation, and after-sales service.
We are China Chemical Scrubber Suppliers and Wholesale Chemical Scrubber Exporter, Company. The Group is a national high-tech enterprise, a Zhejiang Province science and technology enterprise, a regional R&D center, and an AAA-rated credit unit. It holds over 30 utility model patents, numerous invention patents, and software copyrights. The Group has long-standing technical R&D collaborations with domestic universities and institutions, including the "Environmental Innovation R&D Center" established with Anhui University of Science and Technology and the "Plasma Energy and Environmental New Technology R&D Center" jointly developed with Zhejiang Sci-Tech University. The Group has established its own R&D and production base for in-depth technical collaboration. The Group possesses core VOC gas treatment technology, holds a Level 2 general contracting qualification for municipal public works construction, a safety production license, a Class B special design qualification for environmental pollution control in Zhejiang Province, unclassified labor service qualifications, and specialized contracting for special projects. The Group is certified to ISO9001 for international quality, ISO14001 for environmental management, and ISO45001 for occupational health and safety.
23 Apr,2026
16 Apr,2026
09 Apr,2026
02 Apr,2026
23 Mar,2026